Particle Identification (Semantic Candidates → Particle Centers)¶
The Particle Identification module in CryoSiam detects candidate macromolecular complexes and converts them into
particle coordinates suitable for downstream workflows (e.g. .csv and .star files).
This task is typically used when the goal is to localize particles of given type.
Overview¶
Particle identification is performed in two steps:
- Semantic prediction of candidate classes A multi-class semantic segmentation model predicts candidate particle regions.
- Conversion to particle centers High-confidence regions are converted into particle coordinates.
Recommended pipeline:
Denoising → Lamella Prediction → Particle identification → Particle centers (.star / .csv)
Important: Always use a lamella mask to restrict predictions to the lamella region. Models were trained only on lamella data and may produce false positives outside this region.
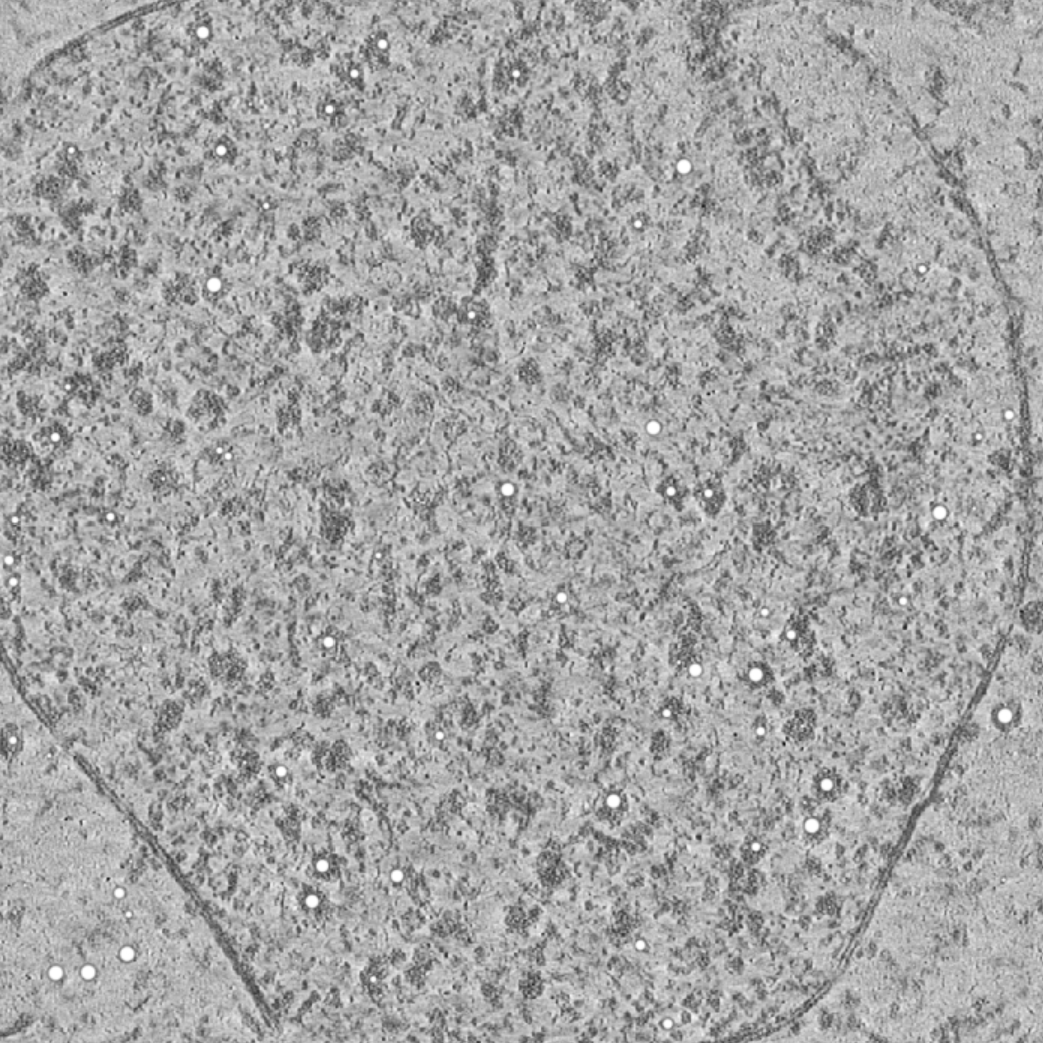
Example result¶
Semantic particle prediction (particle centers):

Trained Models¶
Pre-trained models are provided for particle identification:
-
Lamella prediction model:
CryoSiam lamella model (v1.0) -
Particle candidate semantic model:
CryoSiam particle identification model (v1.0)
You can also train your own model and then perform prediction with that model. Review the Semantic training for explanation of the model training procedure.
Running particle identification¶
Particle identification is executed in two stages, using the same configuration file.
Stage 1: Semantic prediction of particle candidates¶
cryosiam semantic_predict --config_file=configs/semantic_particle.yaml
What this step does
- Loads the particle-candidate semantic model
- Performs sliding-window 3D inference
- Produces semantic prediction volumes
Stage 2: Convert semantic predictions to particle centers¶
cryosiam semantic_to_centers --config_file=configs/semantic_particle.yaml
What this step does
- Identifies connected high-confidence regions
- Extracts particle center coordinates
- Writes particle lists in .csv and .star formats
Visualization¶
Particle coordinates and semantic predictions can be visualized using CryoSiam-Vis. See visualization instructions here.
Example Configuration (configs/semantic_particle.yaml)¶
data_folder: '/scratch/stojanov/dataset1/predictions/denoised'
mask_folder: '/scratch/stojanov/dataset1/predictions/lamella'
prediction_folder: '/scratch/stojanov/dataset1/predictions/semantic_particle'
trained_model: '/scratch/stojanov/trained_models/cryosiam_semantic_myco_candidates.ckpt'
file_extension: '.mrc'
test_files: null
parameters:
data:
patch_size: [ 128, 128, 128 ]
min: 0
max: 1
mean: 0
std: 1
network:
in_channels: 1
spatial_dims: 3
out_channels: 14
threshold: 0.7
min_voxels: 10
hyper_parameters:
batch_size: 2
Configuration reference¶
Top-level keys¶
| Key | Type | Must change | Description |
|---|---|---|---|
data_folder |
str |
✅ | Directory containing denoised tomograms |
mask_folder |
str |
✅ | Directory containing lamella masks |
prediction_folder |
str |
✅ | Output directory for semantic predictions and particle centers |
trained_model |
str |
✅ | Path to particle-candidate model checkpoint (.ckpt) |
file_extension |
str |
❌ | Input file extension (.mrc or .rec) |
test_files |
list[str] or null |
❌ | Specific tomograms to process; null processes all |
parameters¶
| Key | Type | Must change | Description |
|---|---|---|---|
data.patch_size |
list[int] |
❌ | Sliding-window patch size for 3D inference |
data.min |
float |
❌ | Intensity minimum value for data scaling |
data.max |
float |
❌ | Intensity maximum value for data scaling |
data.mean |
float |
❌ | Mean used for normalization |
data.std |
float |
❌ | Std used for normalization |
network.in_channels |
int |
❌ | Number of input channels (usually 1) |
network.spatial_dims |
int |
❌ | Dimensionality of the model (3 for tomograms) |
network.threshold |
float |
❌ | Probability threshold for candidate detection. |
network.min_voxels |
int |
❌ | Minimum connected-component size (voxels) to keep. Default is 100 |
hyper_parameters¶
| Key | Type | Must change | Description |
|---|---|---|---|
batch_size |
int |
❌ | Number of 3D patches processed per forward pass |
Outputs¶
- Semantic prediction volumes (intermediate)
- Particle center files in
.csvand.starformats
Output filenames follow the input basenames with appropriate suffixes.
Troubleshooting¶
| Symptom | Suggested Fix |
|---|---|
| Too many false positives | Increase threshold or min_voxels; ensure lamella mask is correct |
| No particles detected | Lower threshold or verify trained model |
| CUDA out of memory | Reduce batch_size or patch size |